Коттедж из монолитного ж/б каркаса и блоков Ytong
Для полной функциональности этого сайта необходимо включить JavaScript.
Белгород
На сайте с: 26.09.2014
Всегда думай о том: ЧЕМ нагружаешь и ЧТО нагружаешь
Сергей Ершов
serjio484
Рейтинг: 402
Паспорт верифицирован
Всего отзывов:
21
0
Выполнил заданий:
22
Нейросаммари
Активность:
Работ в портфолио:
102
Типовых услуг:
4
Работ на продажу:
0
Образование:
Cпециалитет
Стаж работы:
15 лет
Тип занятости:
Полный фриланс
Юридический статус:
ИП
Был на сайте:
2026-01-23 в 11:18
8-960-623-29-85
inbox
telegram
whatsapp
ershov@belproekt.com
belproekt.com
Youtube
Предложить работу
Добавить в избранное
Добавить рекомендацию
Пожаловаться
Инженерия
57
0
Коттедж из монолитного ж/б каркаса и блоков Ytong
Используемые навыки:
Проектирование объектов
Описание
Решение
Результат
Соавторы
Презентация проекта
Примеры реализации
Описание
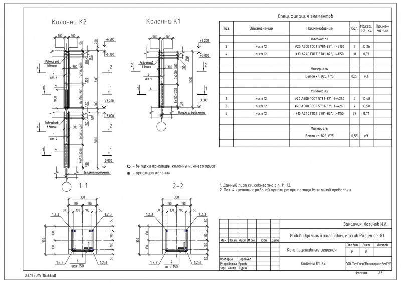
Разработка колонн
Презентация проекта
Оценили проект:
0
×
Оценили проект
×
Авторизация
Для того чтобы оценивать проекты, вам нужно войти на сайт
Другие проекты
Все проекты
Перевернутный Дом-аттракцион. КМ+КМД
Реконструкция магазина
Каркас для транспортировки ёмкости с молоком
FREELANCE.RU
Toggle navigation
Нанять фрилансера
Заказчику
Найти по специализации
Найти по услугам
Провести конкурс
Разместить задание
Виртуальный HR
Другое
Найти работу
Фрилансеру
Найти задание
Присоединиться к команде
Участвовать в конкурсе
Предложить услугу
Другое
Возможности
Для заказчика
Для фрилансера
Вход
Разместить задание
▲