ОДС
Для полной функциональности этого сайта необходимо включить JavaScript.
Москва
На сайте с: 08.02.2012
Алексей Шарончиков
Gerard15
Рейтинг: 72
не верифицирован
Всего отзывов:
0
Работ в портфолио:
12
Типовых услуг:
0
Работ на продажу:
0
Был на сайте:
2018-05-14 в 17:23
89169519542
inbox
Предложить работу
Добавить в избранное
Добавить рекомендацию
Пожаловаться
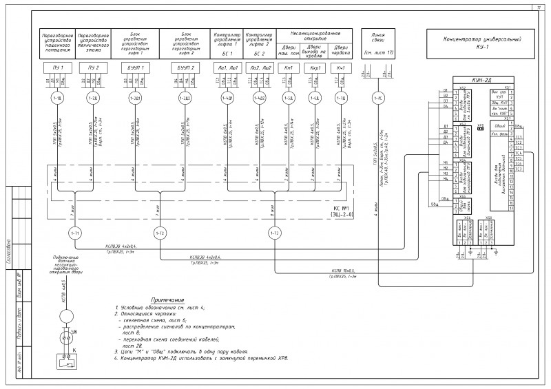
Инженерия
16
0
ОДС
Используемые навыки:
Проектирование объектов
Описание
Решение
Результат
Соавторы
Презентация проекта
Примеры реализации
Описание
Презентация проекта
Оценили проект:
0
×
Оценили проект
×
Авторизация
Для того чтобы оценивать проекты, вам нужно войти на сайт
Другие проекты
Все проекты
ДРС телевидение
Мультисервисный шкаф
Диспетчеризация
FREELANCE.RU
Toggle navigation
Нанять фрилансера
Заказчику
Найти по специализации
Найти по услугам
Провести конкурс
Разместить задание
Виртуальный HR
Другое
Найти работу
Фрилансеру
Найти задание
Присоединиться к команде
Участвовать в конкурсе
Предложить услугу
Другое
Возможности
Для заказчика
Для фрилансера
Вход
Разместить задание
▲