Цевочный редуктор
Для полной функциональности этого сайта необходимо включить JavaScript.
Санкт-Петербург
На сайте с: 25.03.2012
Владимир Фирсов
polukedov
Рейтинг: 103
не верифицирован
Всего отзывов:
1
0
Опубликовал заданий:
16
Активность:
Работ в портфолио:
8
Типовых услуг:
0
Работ на продажу:
0
Был на сайте:
2018-07-24 в 21:22
Предложить работу
Добавить в избранное
Добавить рекомендацию
Пожаловаться
Инженерия
53
0
Цевочный редуктор
Используемые навыки:
Машиностроение
Описание
Решение
Результат
Соавторы
Презентация проекта
Примеры реализации
Описание
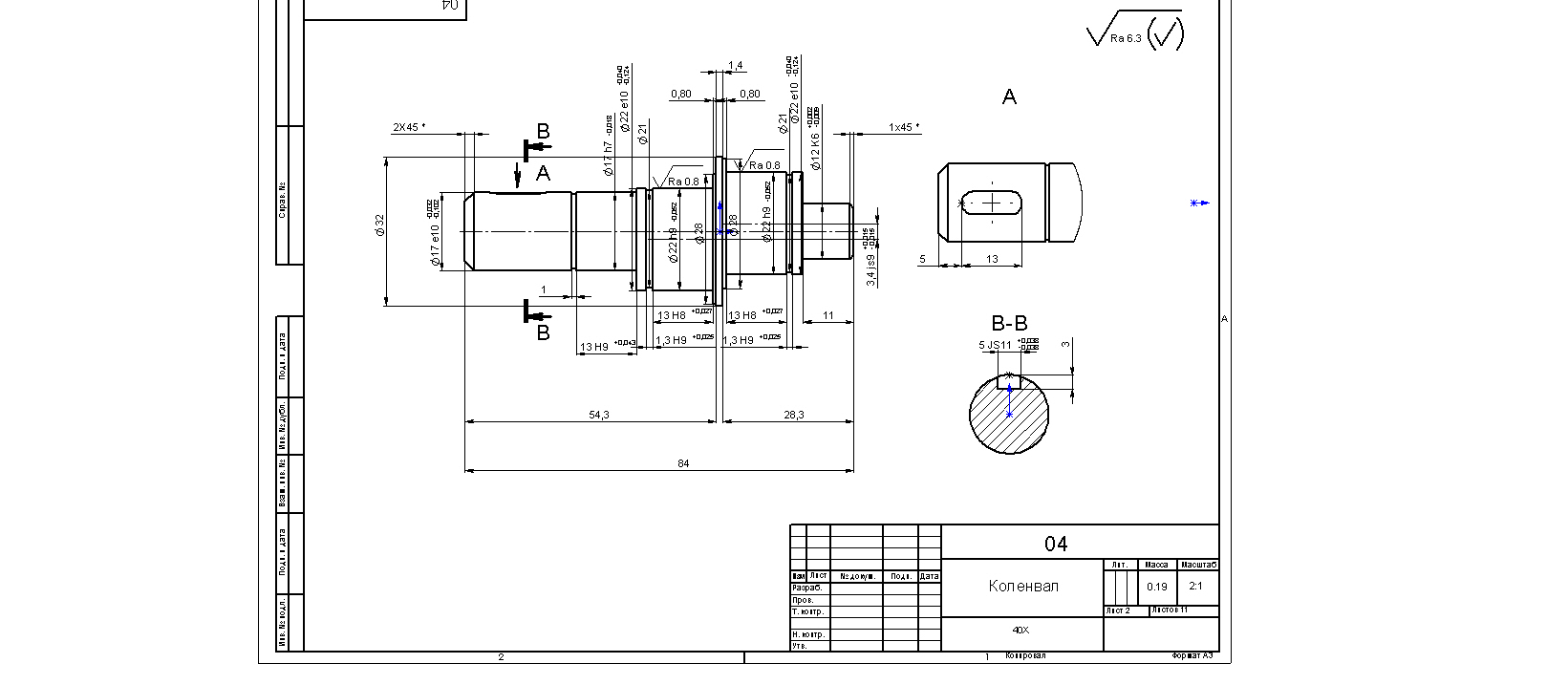
Цевочный редуктор
Передаточное число 1/13
Презентация проекта
Оценили проект:
0
×
Оценили проект
×
Авторизация
Для того чтобы оценивать проекты, вам нужно войти на сайт
Другие проекты
Все проекты
Быстровозводимы ангар
Разработка пресс формы и кд для литья пенополистерола
Здание компрессорной
FREELANCE.RU
Toggle navigation
Нанять фрилансера
Заказчику
Найти по специализации
Найти по услугам
Провести конкурс
Разместить задание
Виртуальный HR
Другое
Найти работу
Фрилансеру
Найти задание
Присоединиться к команде
Участвовать в конкурсе
Другое
Возможности
Для заказчика
Для фрилансера
Вход
Разместить задание
▲