кровля
Для полной функциональности этого сайта необходимо включить JavaScript.
Ялта
Денис Гембицкий
Dangerarh
Рейтинг: 173
не верифицирован
Всего отзывов:
8
0
Выполнил заданий:
10
Работ в портфолио:
63
Типовых услуг:
0
Работ на продажу:
0
Возраст:
43 года
Зарегистрирован:
04.03.2014
Был на сайте:
2019-06-20 в 19:35
+7 978 024 2536
inbox
dangerarh@gmail.com
Предложить работу
Добавить в избранное
Добавить рекомендацию
Пожаловаться
Дизайн пространства
128
0
кровля
Используемые навыки:
Архитектурное проектирование
Описание
Решение
Результат
Соавторы
Презентация проекта
Примеры реализации
Описание
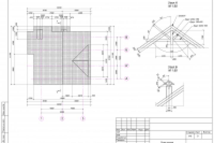
Коттедж. План кровли.
Выполнено в AutoCAD.
Презентация проекта
Оценили проект:
0
×
Оценили проект
×
Авторизация
Для того чтобы оценивать проекты, вам нужно войти на сайт
Другие проекты
Все проекты
Минигостиница
Тумба под умывальник
Оформление проема
FREELANCE.RU
Toggle navigation
Нанять фрилансера
Заказчику
Найти по специализации
Найти по услугам
Провести конкурс
Разместить задание
Виртуальный HR
Найти студию
Другое
Найти работу
Фрилансеру
Найти задание
Присоединиться к команде
Участвовать в конкурсе
Предложить услугу
Другое
Возможности
Для заказчика
Для фрилансера
Вход
Разместить задание
▲