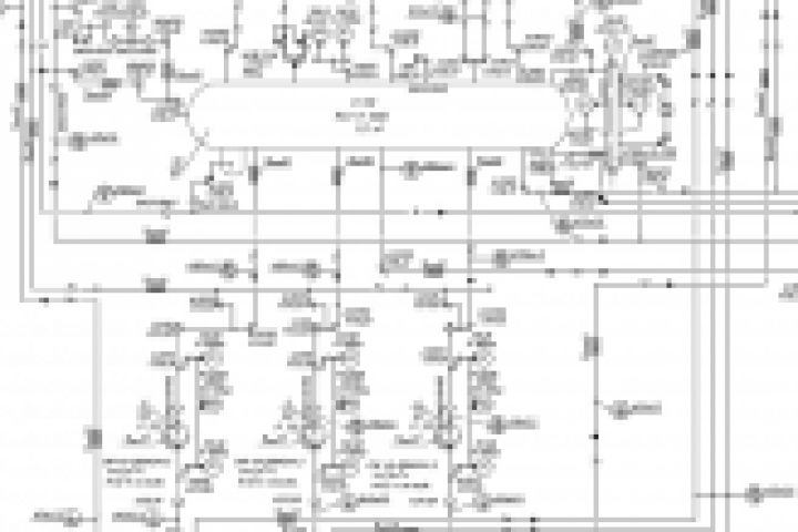
Фрагмент принципиальной пневмогидравлической схемы
Для полной функциональности этого сайта необходимо включить JavaScript.
Москва
Максим Талызин
Maxim81
Рейтинг: 63
не верифицирован
Всего отзывов:
2
0
Опубликовал заданий:
15
Работ в портфолио:
8
Типовых услуг:
0
Работ на продажу:
0
Возраст:
45 лет
Зарегистрирован:
26.09.2010
Был на сайте:
2019-12-23 в 14:03
Предложить работу
Добавить в избранное
Добавить рекомендацию
Пожаловаться
Инженерия
48
0
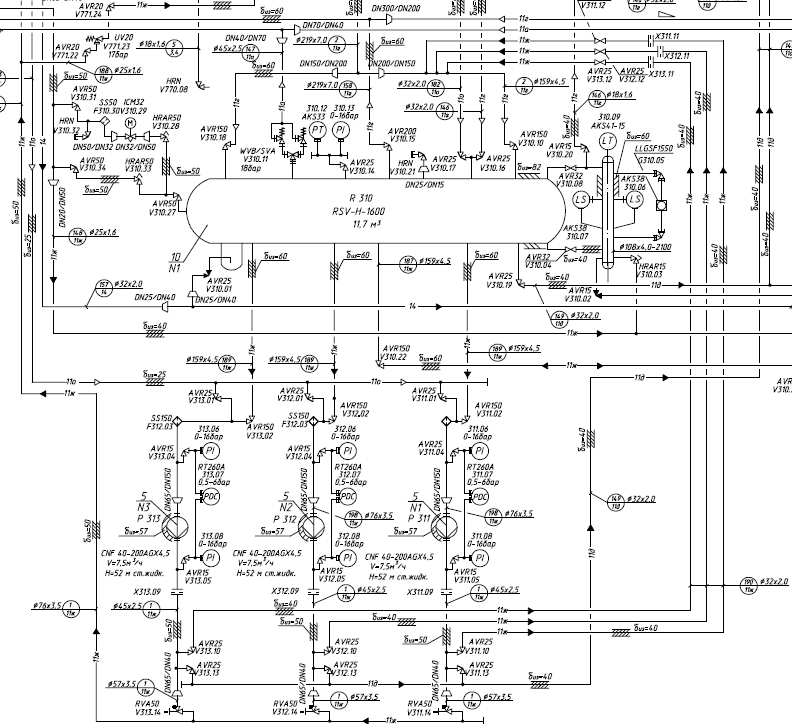
Фрагмент принципиальной пневмогидравлической схемы
Используемые навыки:
Чертежи/Схемы
Описание
Решение
Результат
Соавторы
Презентация проекта
Примеры реализации
Описание
Презентация проекта
Оценили проект:
0
×
Оценили проект
×
Авторизация
Для того чтобы оценивать проекты, вам нужно войти на сайт
Другие проекты
Все проекты
Фрагмент расстановки оборудования в компрессорном цехе
Холодоснабжение скороморозильных аппаратов
Распределительная станция
FREELANCE.RU
Toggle navigation
Нанять фрилансера
Заказчику
Каталог фрилансеров
Каталог PRO
Каталог студий
Каталог услуг
Каталог работ
Виртуальный HR
Умный поиск
Провести конкурс
Разместить задание
Найти работу
Найти задание
Присоединиться к команде
Участвовать в конкурсе
Предложить услугу
Вход
Разместить задание
▲