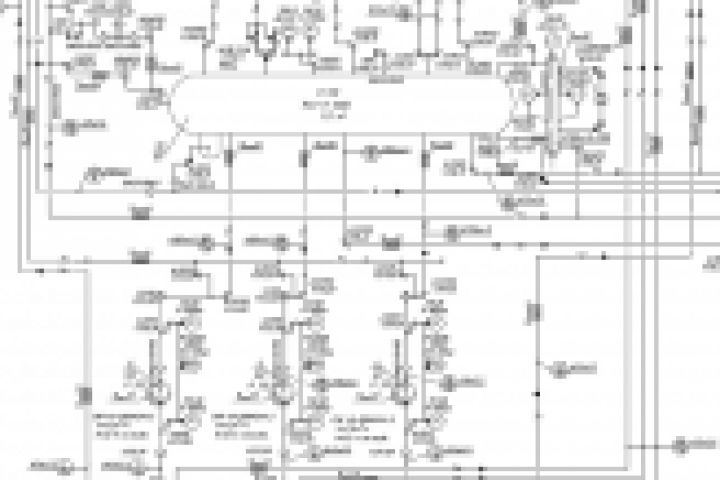
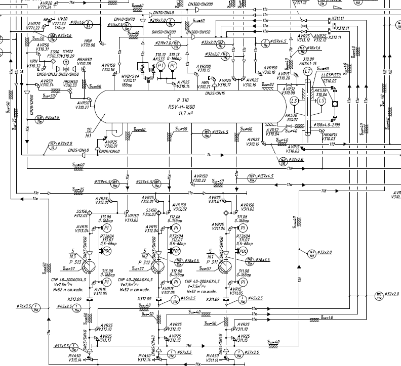
Пневмогидравлическая схема
Для полной функциональности этого сайта необходимо включить JavaScript.
Москва
44 года
На сайте с: 26.09.2010
Максим Талызин
Maxim81
Рейтинг: 63
не верифицирован
Всего отзывов:
2
0
Опубликовал заданий:
15
Работ в портфолио:
8
Типовых услуг:
0
Работ на продажу:
0
Был на сайте:
2019-12-23 в 14:03
Предложить работу
Добавить в избранное
Добавить рекомендацию
Пожаловаться
Инженерия
72
0
Пневмогидравлическая схема
Описание
Решение
Результат
Соавторы
Презентация проекта
Примеры реализации
Описание
Презентация проекта
Оценили проект:
0
×
Оценили проект
×
Авторизация
Для того чтобы оценивать проекты, вам нужно войти на сайт
Другие проекты
Все проекты
Фрагмент расстановки оборудования в компрессорном цехе
PID
Фрагмент принципиальной пневмогидравлической схемы
FREELANCE.RU
Toggle navigation
Нанять фрилансера
Заказчику
Найти по специализации
Найти по услугам
Провести конкурс
Разместить задание
Виртуальный HR
Другое
Найти работу
Фрилансеру
Найти задание
Присоединиться к команде
Участвовать в конкурсе
Предложить услугу
Другое
Возможности
Для заказчика
Для фрилансера
Вход
Разместить задание
▲