Детали насоса
Для полной функциональности этого сайта необходимо включить JavaScript.
Сарны
Слава Шпак
zmej97
Рейтинг: 118
не верифицирован
Всего отзывов:
2
0
Выполнил заданий:
1
Работ в портфолио:
33
Типовых услуг:
0
Работ на продажу:
0
Возраст:
40 лет
Зарегистрирован:
02.08.2012
Был на сайте:
2020-01-26 в 17:06
+380979218015
Написать Слава Шпак
zmej97@ukr.net
Предложить работу
Добавить в избранное
Добавить рекомендацию
Пожаловаться
Инженерия
30
0
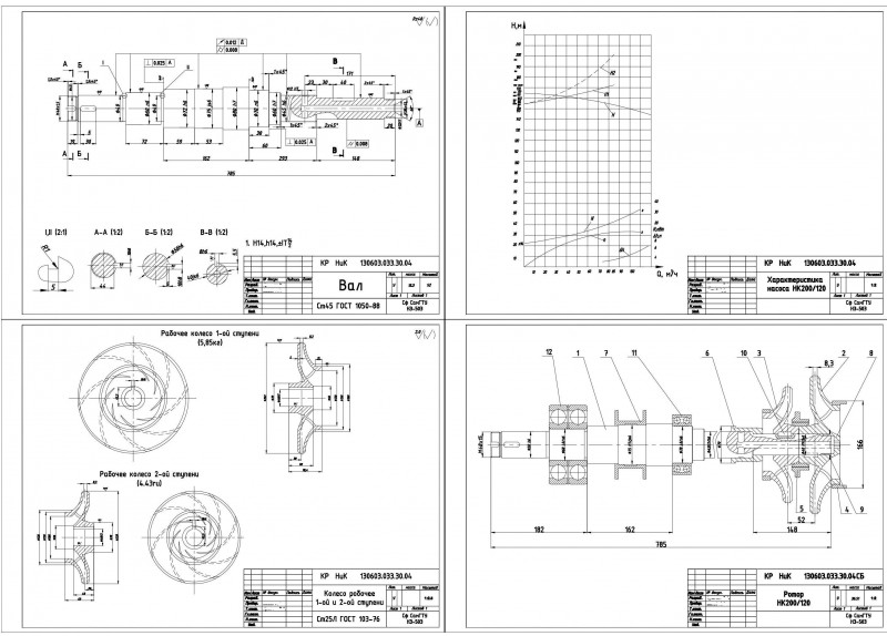
Детали насоса
Используемые навыки:
Чертежи/Схемы
Описание
Решение
Результат
Соавторы
Презентация проекта
Примеры реализации
Описание
Презентация проекта
Оценили проект:
0
×
Оценили проект
×
Авторизация
Для того чтобы оценивать проекты, вам нужно войти на сайт
Другие проекты
Все проекты
Опора ЛЭП 110 кВ верхняя и средняя секции
Кран мостовой
Фрезерная головка
FREELANCE.RU
Toggle navigation
Нанять фрилансера
Заказчику
Каталог фрилансеров
Каталог PRO
Каталог студий
Каталог услуг
Каталог работ
Виртуальный HR
Умный поиск
Провести конкурс
Разместить задание
Найти работу
Найти задание
Присоединиться к команде
Участвовать в конкурсе
Предложить услугу
Вход
Разместить задание
▲