Рейтинг: 108
не верифицирован
Всего отзывов: 1 0
Выполнил заданий: 1
  • Активность:
  • Работ в портфолио: 3
  • Типовых услуг: 0
  • Работ на продажу: 0
Был на сайте:

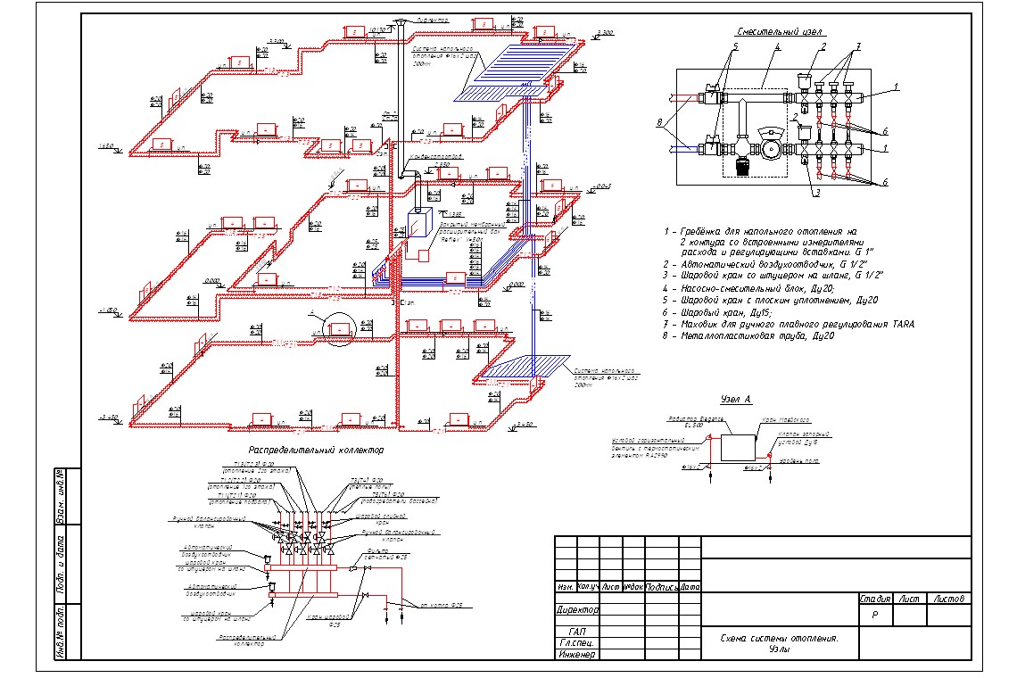
Отопление коттеджа

Описание

Отопление коттеджа.
Выполнен теплотехнический расчёт. Подобрано оборудование.
Выполнена разводка системы отопления и тёплых полов.

Презентация проекта

pic712703.jpg

Оценили проект:

0