Амбициозен, иду к своей цели!

Александр Пентегов is1jet

Рейтинг: 147
не верифицирован
Всего отзывов: 5 0
Выполнил заданий: 3
  • Работ в портфолио: 22
  • Типовых услуг: 0
  • Работ на продажу: 2
Был на сайте:

Продаю: Продам курсовую работу по ТОЭ

499 руб

32

В соответствии с исходными данными (табл. 1.1) для своего варианта необходимо:
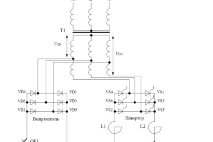
1. Нарисовать схему параллельного включения выпрямителя и инвертора, а также структурную схему системы управления тиристорами.
2. Рассчитать проектные параметры преобразовательного трансформатора и выбрать стандартный трансформатор.
3. Определить количество параллельно включенных вентилей в вентильном плече выпрямителя и инвертора. Выбрать устройства выравнивания тока между параллельно включенными вентилями.
4. Определить количество последовательно включенных вентилей в вентильном плече выпрямителя и инвертора. Рассчитать шунтирующие цепочки для выравнивания обратного напряжения между последовательно включенными вентилями.
5. Рассчитать и построить внешнюю характеристику выпрямителя, естественную внешнюю и ограничительную характеристики инвертора.
6. Построить искусственную горизонтальную внешнюю характеристику инвертора на уровне напряжения холостого хода выпрямителя. 4
7. Определить предельно допустимый ток инвертора при работе по естественной и искусственной внешней характеристике.
8. Рассчитать и построить временные диаграммы напряжений и токов выпрямителя и инвертора для заданного угла регулирования α, угла опережения β и угла коммутации вентильных токов γ.
9. Рассчитать зависимость коэффициента мощности χ от тока преобразователя в выпрямительном и инверторном режимах.

Продам курсовую работу по ТОЭ