Амбициозен, иду к своей цели!

Александр Пентегов is1jet

Рейтинг: 147
не верифицирован
Всего отзывов: 5 0
Выполнил заданий: 3
  • Работ в портфолио: 22
  • Типовых услуг: 0
  • Работ на продажу: 2
  • Возраст: 31 год
  • Зарегистрирован: 06.10.2018
Был на сайте:

Продаю: Продам дипломную работу по электроснабжению промышленных предприятий

7 990 руб

51

Введение

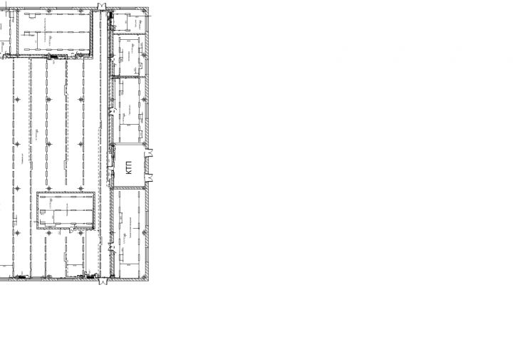
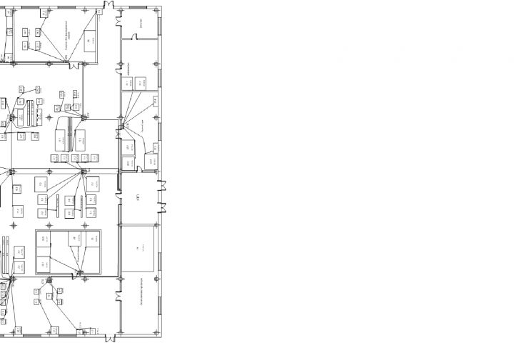
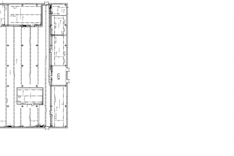
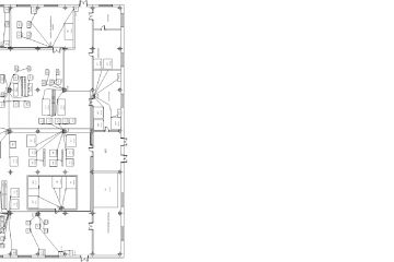
В данной выпускной квалификационной работе рассматривается система цеха по производству мясных полуфабрикатов.
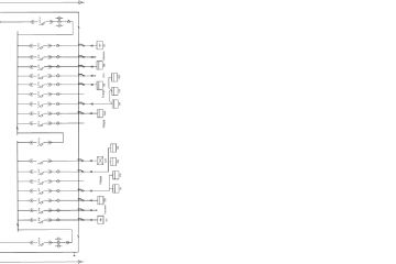
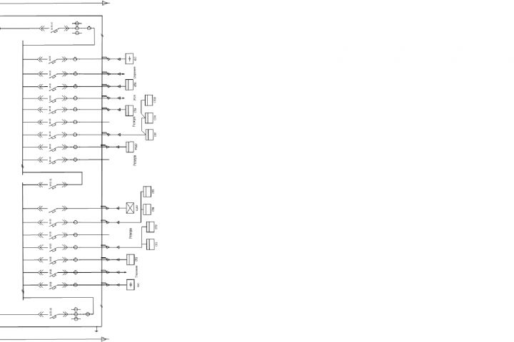
При проведении расчётов должны быть рассчитаны 2 варианта систем электроснабжения. Для каждого варианта выбраны: сечения кабелей, проводов; коммутационная аппаратура. Выбор цехового электрооборудования производится в зависимости от условий прокладки кабелей (проводов), различных токовых нагрузок потребителей и условий их работы, категории электроприёмников по надёжности электроснабжения. По дисконтированным издержкам производится выбор схемы системы электроснабжения.
Рассматриваются следующие вопросы:
- расчет нагрузок силовых электроприёмников;
- расчет освещения;
- выбор трансформатора подстанции цеха;
- выбор проводников и коммутационных аппаратов питающей и распределительной сети
- расчет токов короткого замыкания
Также производится расчёт потерь напряжения для сведения их к минимуму в элементах сети. Выполняется проверка коммутационной и защитной аппаратуры на отключающую способность и динамическую устойчивость к токам короткого замыкания, делается вывод о правильности её выбора.
Важными задачами развития промышленности являются повышение уровня инженерно-технических разработок, рациональная загрузка и эксплуатация электрооборудования, меры по снижению непроизводственных расходов электроэнергии при ее передаче и потреблении. В данном дипломном проекте приводится ряд мер по экономии электроэнергии в цехе.

Продам дипломную работу по электроснабжению промышленных предприятий
Продам дипломную работу по электроснабжению промышленных предприятий
Продам дипломную работу по электроснабжению промышленных предприятий