Внесений изменений в проект АПС и исполнительная документация

Задание закрыто
Статус рабочей области:
Стоимость:Договорная
Срок выполнения:5 дней
Варианты оплаты:По договоренности
Дата публикации:2026-02-11 14:17
Обновлено:2026-02-11 14:19
Был на сайте:2026-02-17 23:08

Внесений изменений в проект АПС и исполнительная документация

 
Задача

Нужно внести изменения в проект по пожарной сигнализации и подготовить исполнительную документацию. На будущее есть много новых проектов на разработку.

Оставлять заявки могут только авторизованные пользователи.

Оптимизировано и агрегировано ИИ:

Нам необходимо внести изменения в существующий проект автоматической пожарной сигнализации и подготовить соответствующую исполнительную документацию. В дальнейшем планируется работа над множеством новых проектов, связанных с разработкой систем пожарной безопасности. Для выполнения этого задания потребуются навыки проектирования систем пожарной сигнализации, знание нормативных требований и стандартов в области пожарной безопасности, умение работать с проектной документацией, а также опыт в подготовке исполнительной документации.
Исполнитель по этому заданию выбран.
Я инженер-проектировщик АСУ инженерных систем, могу все выполнить в срок.

Примеры моих работ

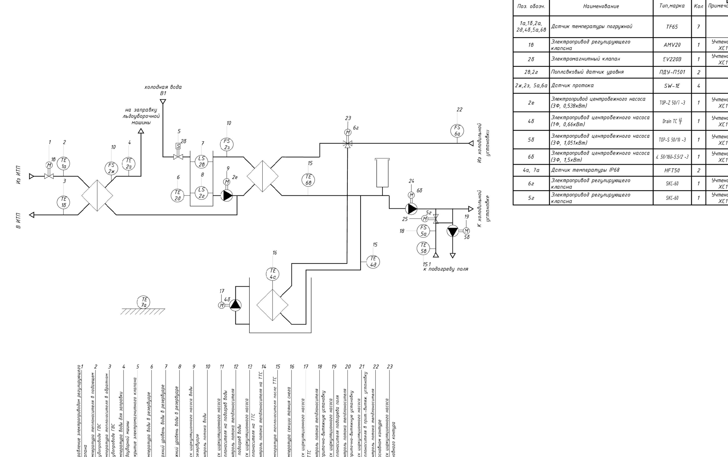
Тепло гидравлический расчет теплообменника
Разработка проектной и рабочей документации инженерных систем (АОВ, АХС, ДИС и тд)
Разработка схем для печных плат
готов выполнить быстрее, надеюсь на сотрудничество
Здравствуйте, могу помочь, для более оперативной связи пишите в TG@dm7777dm

Оставлять заявки могут только авторизованные пользователи.